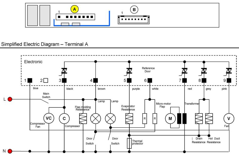
Bosch KSU 44520/01 (2006г.) [No frost, 1компр, МК вверху]. Случаются отключения электроэнергии. Но проблемы начались лишь недавно. Стала время от времени натекать лужа на полу. Теперь после каждого отключения питания (даже кратковременного) ХК набирает комнатную темп-ру; МК – работает. Приходится каждый раз делать полную разморозку (2 суток). Вопрос: что такого происходит в момент/после отключения питания, что ХК перестаёт набирать холод? Как у него устроена оттайка? Как его отдиагностировать?

