Показано с 1 по 6 из 6

Тема: Стинол-107 не включается после разморозки морозилки

  1. #1

    Регистрация
    22.05.2007
    Адрес
    г. Брянск
    Сообщений
    3
    Репутация
    0

    Стинол-107 не включается после разморозки морозилки

    После остановки вентилятора холодильниеа Стинол 107 , произвел отаивание МК ,высушил и включил не включается индикатор МК. хотя напряжение на елементах есть, что делать??
    VDS

  2. Каталог мастерских
    работает с 2005 года
    Если у Вас сломался холодильник, загляните в наш каталог мастерских. В нем представлена актуальная информация о сервисных центрах, мастерских и частных мастерах Вашего города.
    Если же Вы профессиональный холодильщик или представитель сопутствующей профессии, имеет смысл зарегистрироваться на форуме, чтобы получить возможность общаться с коллегами. Кстати, зарегистрированным пользователям этот информационный блок не показывается.
  3. #2
    Администратор
    Регистрация
    22.04.2007
    Адрес
    Москва
    Сообщений
    1,145
    Репутация
    2205
    Виталий, можно Вас попросить еще подробнее описать проблему. Не обижайтесь, но решительно ничего не понятно

  4. #3

    Регистрация
    22.05.2007
    Адрес
    г. Брянск
    Сообщений
    3
    Репутация
    0
    При сняти подона с отаивателем в морозильной камера пришлось разединить все разьемы, я соединил по схеме, но ничего не включается.
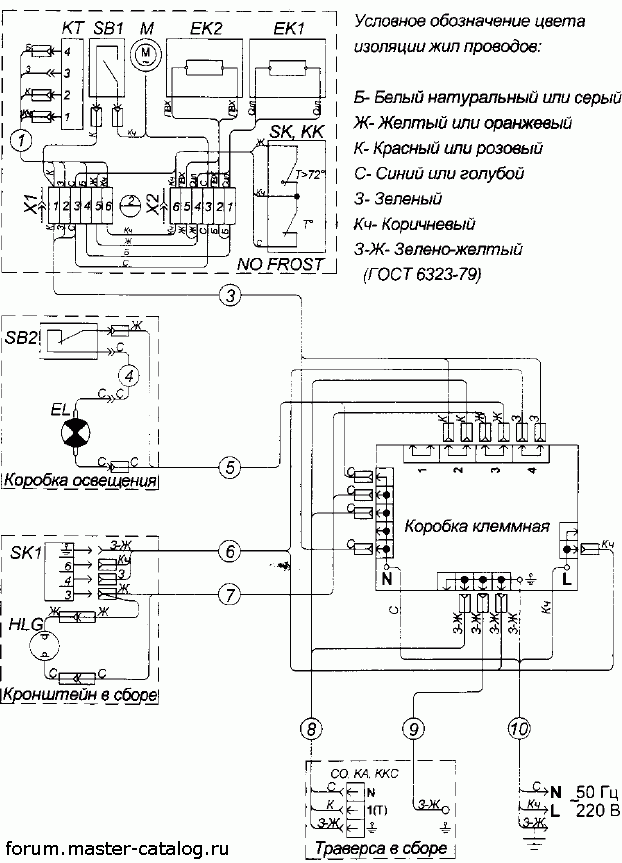
    Может кто подскажет схему соединения с цветной маркировкой проводов. Разьемы двух штырьковые.
    VDS

  5. #4
    Администратор
    Регистрация
    22.04.2007
    Адрес
    Москва
    Сообщений
    1,145
    Репутация
    2205
    Цитата Сообщение от Виталий
    высушил
    А как сушили? Не феном, случайно?
    Зачастую, после подобных некорректных сушек феном, накрывается термоплавкий предохранитель. Естественно, после этого ничего включаться не будет.

  6. #5
    Администратор
    Регистрация
    22.04.2007
    Адрес
    Москва
    Сообщений
    1,145
    Репутация
    2205
    Цитата Сообщение от Виталий
    Может кто подскажет схему соединения с цветной маркировкой проводов. Разьемы двух штырьковые.
    Вот монтажная схема из заводской документации. Но там "шестиштырьковые" разъемы, по "двухштырьковым" у меня схемы нет, к сожалению. Хотя, не совсем понятно, на схеме изображен уже современный, "трехконцовый" биметалл/плавкий. А он стал применяться уже когда перешли на двухштырьковые разъемы. Короче, разбирайтесь сами
    Изображения

  7. #6

    Регистрация
    22.05.2007
    Адрес
    г. Брянск
    Сообщений
    3
    Репутация
    0
    ДА феном.
    Спасиба ВСЕм нашел причину (Термоплавкий предохранитель накрылся).
    VDS

Информация о теме

Пользователи, просматривающие эту тему

Эту тему просматривают: 1 (пользователей: 0 , гостей: 1)

Похожие темы

  1. Стинол 110. Не включается МК.
    от NOY в разделе Вопросы от владельцев холодильников
    Ответов: 17
    Последнее сообщение: 09.09.2011, 13:07
  2. Стинол 102-проблема морозилки.
    от Алексъ в разделе Бытовые холодильники
    Ответов: 30
    Последнее сообщение: 23.02.2011, 10:37
  3. Стинол 104 не включается после 24 ч. работы.
    от Александр777 в разделе Бытовые холодильники
    Ответов: 2
    Последнее сообщение: 18.03.2009, 16:17
  4. Стинол-110 не включается после отключения.
    от Paxan в разделе Бытовые холодильники
    Ответов: 44
    Последнее сообщение: 05.10.2008, 10:57
  5. SAMSUNG RL33SBSW не включается после штатного отключения
    от a_n_h в разделе Бытовые холодильники
    Ответов: 27
    Последнее сообщение: 26.08.2008, 21:00

Ваши права

  • Вы не можете создавать новые темы
  • Вы не можете отвечать в темах
  • Вы не можете прикреплять вложения
  • Вы не можете редактировать свои сообщения
  •  
Мы используем файлы cookie, чтобы улучшить работу сайта.