Показано с 1 по 5 из 5

Тема: Stinol-107 с COMBI-100

Комбинированный просмотр

  1. #1

    Регистрация
    26.02.2010
    Адрес
    РФ. Алтай.
    Сообщений
    2
    Репутация
    0

    Stinol-107 с COMBI-100

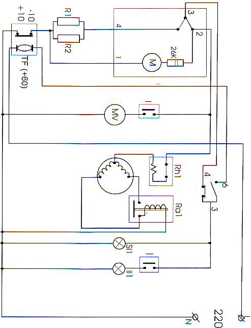
    Подскажите пожалуйста: как получает питание таймер после переключения контактов с 3 на 4 (т.е. 2 обесточен); идет процесс оттайки. "Combi-100" на минус 10 градусах???

  2. Каталог мастерских
    работает с 2005 года
    Если у Вас сломался холодильник, загляните в наш каталог мастерских. В нем представлена актуальная информация о сервисных центрах, мастерских и частных мастерах Вашего города.
    Если же Вы профессиональный холодильщик или представитель сопутствующей профессии, имеет смысл зарегистрироваться на форуме, чтобы получить возможность общаться с коллегами. Кстати, зарегистрированным пользователям этот информационный блок не показывается.
  3. #2
    Холодильщик Аватар для evgeni1969
    Регистрация
    10.09.2009
    Адрес
    Челябинск
    Сообщений
    454
    Репутация
    2755
    Может мастера вызвать?Он знает.

  4. #3
    Аватар для Холодно
    Регистрация
    13.04.2008
    Адрес
    Москва
    Сообщений
    413
    Репутация
    0

  5. #4
    Аватар для Холодно
    Регистрация
    13.04.2008
    Адрес
    Москва
    Сообщений
    413
    Репутация
    0
    Как тока TR при +10 размыкается, ток течет на 1-й контакт через R1,R2 3-4 Контакты, через TH1 и на линию L1.
    На 2-й контакт через Rh1-> Co1-> Ra1 и на N.

    Вроде так судя по схеме. Моторчику то много не надо что бы крутится.

  6. #5

    Регистрация
    26.02.2010
    Адрес
    РФ. Алтай.
    Сообщений
    2
    Репутация
    0
    Спасибо! Я и затронул этот вопрос только потому, что схема учебника составлена (простите), но просто бездарно. Пришлось рисовать свою, а уж потом пройти по указанному пути. Еще раз спасибо.
    Изображения

Информация о теме

Пользователи, просматривающие эту тему

Эту тему просматривают: 1 (пользователей: 0 , гостей: 1)

Похожие темы

  1. вопрос по тепловому реле combi-100
    от vitalik13 в разделе Бытовые холодильники
    Ответов: 2
    Последнее сообщение: 08.07.2009, 16:36

Ваши права

  • Вы не можете создавать новые темы
  • Вы не можете отвечать в темах
  • Вы не можете прикреплять вложения
  • Вы не можете редактировать свои сообщения
  •  
Мы используем файлы cookie, чтобы улучшить работу сайта.