Страница 3 из 8 ПерваяПервая 1234567 ... ПоследняяПоследняя
Показано с 31 по 45 из 107

Тема: Посоветуйте как отремонтировать холодильник BOSH 1998г.?

  1. #31
    Холодильщик
    Регистрация
    22.05.2007
    Адрес
    Lithuania
    Сообщений
    180
    Репутация
    1922
    Ну, может быть Эльдар, нам выдаст какую нибудь эксклюзивную модель ручной сборки. Подождем.
    Я вот как то видел москвич с турбокомпрессором... Тоже, вроде бы нету, а он есть. :mrgreen:

  2. Каталог мастерских
    работает с 2005 года
    Если у Вас сломался холодильник, загляните в наш каталог мастерских. В нем представлена актуальная информация о сервисных центрах, мастерских и частных мастерах Вашего города.
    Если же Вы профессиональный холодильщик или представитель сопутствующей профессии, имеет смысл зарегистрироваться на форуме, чтобы получить возможность общаться с коллегами. Кстати, зарегистрированным пользователям этот информационный блок не показывается.
  3. #32
    Холодильщик Аватар для Александр Николаевич
    Регистрация
    08.03.2008
    Адрес
    Тамбовский край
    Сообщений
    245
    Репутация
    1000
    Тоже, вроде бы нету, а он есть.
    Если только так, или Стинол с чем то попутал... бывает. :lol:

  4. #33
    Аватар для Холодно
    Регистрация
    13.04.2008
    Адрес
    Москва
    Сообщений
    413
    Репутация
    0
    Цитата Сообщение от WARNING
    Цитата Сообщение от Холодно
    А расскажите про бистабильные клапана??
    И ты хочешь с KGU - шкой заняться ремонтом...? :shock:
    Легко, это ничего не значит если я незнаю принцип работы клапанов.
    KGU я уже ремонтировал, тоже в мастерской сказали 15000 ремонт.
    Оказались проблемы по питанию. Даже в чип и дип не пришлось ехать, в своей домашней помойке нашел детали и отремонтировал легко.

  5. #34
    Аватар для Холодно
    Регистрация
    13.04.2008
    Адрес
    Москва
    Сообщений
    413
    Репутация
    0
    Я правильно сказал что бистабильный клапан это клапан с двумя соленоидами используются когда оборудование не должно менять положения при отключении питания.
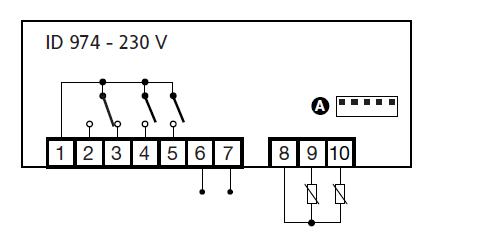
    И чего тут сложного?? Можно и Id974 воткнуть. Правда схемку маленькую еще свою собрать.
    Вот привезут холодос там и будет видно что с ним делать.

  6. #35
    Холодильщик
    Регистрация
    22.05.2007
    Адрес
    Lithuania
    Сообщений
    180
    Репутация
    1922
    Ну, посмотрим.
    Вот схемка подключения контроллера. Расскажи ка, как ты с его помощью будешь посылать импульсы разной полярности на клапан, управлять компрессором, и оттайкой в no-frost морозилке.
    Напомню, что еще нужно обеспечить гарантированную оттайку испарителя х.к. в каждом цикле.
    Изображения

  7. #36
    Холодильщик
    Регистрация
    06.02.2008
    Адрес
    Москва
    Сообщений
    131
    Репутация
    1119
    zandoff, забыл про вентилятор в морозилке и свет в холодилке...
    Иногда лучше жевать,чем говорить

  8. #37
    Холодильщик
    Регистрация
    29.11.2007
    Адрес
    Санкт-Петербург
    Сообщений
    1,213
    Репутация
    3013
    Мастера, давайте подождём ответ Пантеры. Естественно что переделка на Id974 здесь не прокатит. Холодос наворочен по самое некуда и вставлять в него всякие процессоры считаю не рентабильно и портят товарнуй вид.
    Признаюсь, был на этом адресе и мой вердикт - замена платы.
    Могу ошибаться, но точной диагностики провести не мог тк холодильник был загружен по самое некуда. Даже не отодвинуть ops: + не согласованость описания поломки между мужем и женой(Была включена кнопка супер)
    Мои варианты-
    Пол с подогревом и холодос не имеет циркуляции воздуха в верх(Типа встройки)Соответственно перегрев мотора и конденсатора.
    2- поплыл сенсор МК.
    Пантера, готов вернуть 250 за диагностику.НО на переделку НЕ соглашайтесь. Удачи..
    Вацапьте и Вайберите по Тел +7(921) 956-26-05 http://remontholodilnikov.spb.ru/

  9. #38
    Холодильщик Аватар для zenzel
    Регистрация
    15.06.2008
    Адрес
    Ростов-на-Дону
    Сообщений
    1,300
    Репутация
    6440
    .кто знает какой амплитуды и длительности приходит импульс на клапан?

  10. #39
    Холодильщик Аватар для Эльдар
    Регистрация
    23.11.2009
    Адрес
    Пенза
    Сообщений
    209
    Репутация
    1324
    Цитата Сообщение от Александр Николаевич
    Стинол с чем то попутал... бывает.
    конечно попутал с атлантом :mrgreen:
    Занимаюсь ремонтом холодильников г.Пенза Т: 70-99-44 www.penza-remont.ucoz.ru

  11. #40
    Холодильщик Аватар для WARNING
    Регистрация
    02.05.2008
    Адрес
    г. МОСКВА и окрестности +7(985)428-07-99
    Сообщений
    167
    Репутация
    1013
    Цитата Сообщение от Эльдар
    конечно попутал с атлантом :mrgreen:
    Попутал..., ты же мастер и в именах брендов заблудился? Судя по твоей подписи : Стинол - отечественный, а
    Атлант - импортный. Да, Атланты есть с клапанами, но они еще на гарантии сидят т.к. свежак производства.

  12. #41
    Холодильщик Аватар для WARNING
    Регистрация
    02.05.2008
    Адрес
    г. МОСКВА и окрестности +7(985)428-07-99
    Сообщений
    167
    Репутация
    1013
    Цитата Сообщение от Александр Геннадьевич
    Признаюсь, был на этом адресе и мой вердикт - замена платы.
    Могу ошибаться, но точной диагностики провести не мог тк холодильник был загружен по самое некуда.
    Александр Геннадьевич, Ессно ТЕПЕРЬ вопрос тебе - снимал крышку испарителя МК, как его состояние в плане - зарос снегом или...?

  13. #42
    Холодильщик
    Регистрация
    29.11.2007
    Адрес
    Санкт-Петербург
    Сообщений
    1,213
    Репутация
    3013
    В МК всё было замёрзши. Сам испар чистый и без иния. Крышку не снимал тк ещё раз повторюсь холодос был загружен полностью.
    Не исключаю враньё показателя температуры на дисплее.
    Вацапьте и Вайберите по Тел +7(921) 956-26-05 http://remontholodilnikov.spb.ru/

  14. #43
    Холодильщик Аватар для WARNING
    Регистрация
    02.05.2008
    Адрес
    г. МОСКВА и окрестности +7(985)428-07-99
    Сообщений
    167
    Репутация
    1013
    Цитата Сообщение от Александр Геннадьевич
    В МК всё было замёрзши. Сам испар чистый и без иния.
    В этой модели через технологическое окошко в МК невозможно оценить степень зарастания. Весь прикол кроеться внизу испар - л + тен испар,+тен каплепад, +термофуз и все это доступно ТОЛЬКО сняв крышку. Хотя неисправность модуля думаю = 80%

  15. #44
    Холодильщик Аватар для Эльдар
    Регистрация
    23.11.2009
    Адрес
    Пенза
    Сообщений
    209
    Репутация
    1324
    Цитата Сообщение от WARNING
    Да, Атланты есть с клапанами, но они еще на гарантии сидят т.к. свежак производства.
    а как же старики атланты 130 серии (так по памяти помоему 130, если ошибаюсь поправьте) там правда клапан обычный... но кинематика по сути та же...
    Занимаюсь ремонтом холодильников г.Пенза Т: 70-99-44 www.penza-remont.ucoz.ru

  16. #45
    Холодильщик Аватар для WARNING
    Регистрация
    02.05.2008
    Адрес
    г. МОСКВА и окрестности +7(985)428-07-99
    Сообщений
    167
    Репутация
    1013
    Цитата Сообщение от Эльдар
    а как же старики атланты 130 серии
    Полное невладение ситуацией, в современных Атлантах используется БИСТАБИЛЬНЫЙ клапан, а это не то - же самое, что воткнуто в 130 серию. Ты еще о кинематике Оки вспомни.

Информация о теме

Пользователи, просматривающие эту тему

Эту тему просматривают: 2 (пользователей: 0 , гостей: 2)

Похожие темы

  1. Посоветуйте хороший течеискатель.
    от ZPavel в разделе Инструмент, оборудование и расходные материалы
    Ответов: 53
    Последнее сообщение: 24.10.2011, 17:08
  2. Можно-ли отремонтировать Атлант?
    от S.U.N. в разделе Вопросы от владельцев холодильников
    Ответов: 28
    Последнее сообщение: 23.07.2011, 12:32
  3. зил 1998г выпуска слабо морозит морозильник
    от megavolt-88 в разделе Бытовые холодильники
    Ответов: 10
    Последнее сообщение: 21.03.2011, 16:57
  4. Помогите отремонтировать холодильник Deawoo FR-540 N !!!
    от svist04 в разделе Бытовые холодильники
    Ответов: 4
    Последнее сообщение: 14.03.2009, 13:20

Ваши права

  • Вы не можете создавать новые темы
  • Вы не можете отвечать в темах
  • Вы не можете прикреплять вложения
  • Вы не можете редактировать свои сообщения
  •  
Мы используем файлы cookie, чтобы улучшить работу сайта.