Вложений: 2
Не становится в оттайку Whirlpool
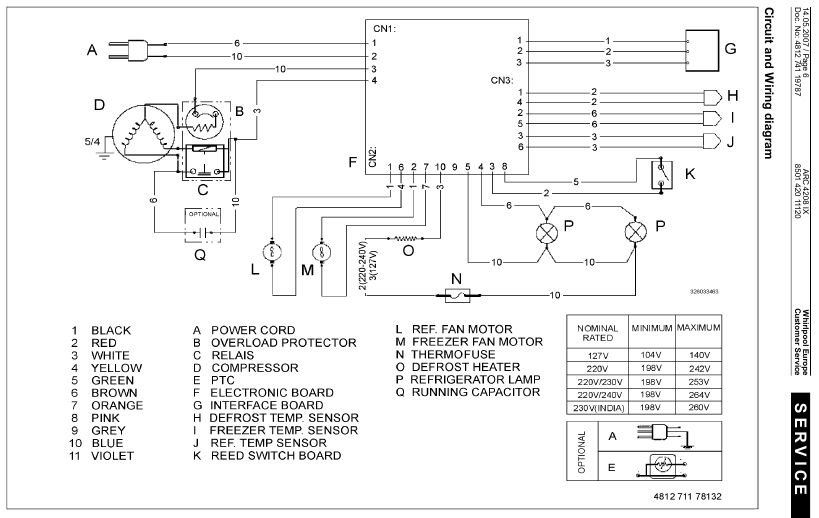
Всем доброго дня. Есть холодильник Whirlpool ARC 4208 IX который не становится в оттайку.
Вложение 3164
Был проверен тен и плавкий предохранитель оба рабочие, после подачи 220В на разьем возле платы тен нагревается все в порядке.
Я начал думать что виновата плата управления, так как в наличии была плата на данную модель я ее поставил и вывел контрольную лампочку (40Вт) подключеную паралельну к тену оттайки. Сидел я контролировал лампочку день, второй, третий, она так и не загорелась - оттайки нету.
Вложение 3163
Замеры с датчиков:
Датчик морозильной камеры (крепится вверху МК), при -20С примерно 30 кОм, при +16С 3,9 кОм
Датчик разморозки (крепится на испарителе), при -20С примерно 2,6 кОм, при +16С 1,1 кОм
Датчик холодильной камеры при +3С 7,7 кОм.
У меня нету таблицы сопротивлений этих датчиков чтоб проверить правильность их сопротивлений.
Уважаемые Специалисты прошу вашей помощи !
если надо любые фото или данные выложу.